

















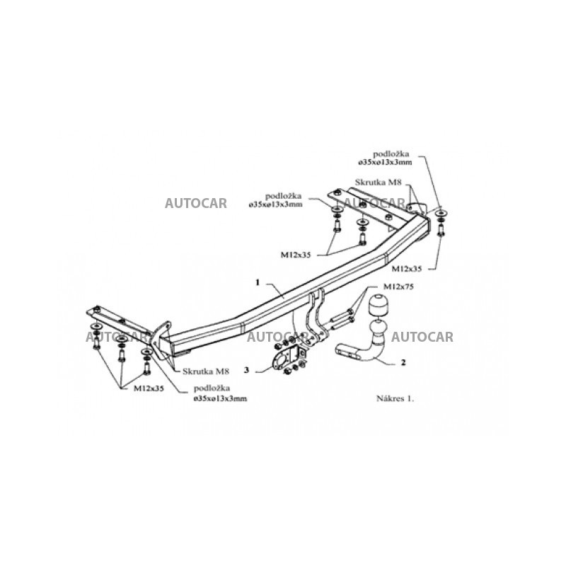
Ťažné zariadenie s odnímateľným bajonetovým systémom pre automobil HONDA - typ: CIVIC, modelová rada: 5dv. Rok výroby automobilu: od 2005/08-2012
Príslušenstvo k tomuto ťažnému zariadeniu
Bajonetový systém od firmy AUTO-HAK Vám zaručí rýchlu a jednoduchú demontáž/montáž ťažnej guľe, bez použitia náradia.
Táto stredná cenová kategória ťažného zariadenia je ideálna varianta, v prípade ak Vám nevyhovuje skrutkové ťažné zariadenie. Či už z dôvodu zasahovania háku (gule) do evidenčného čísla alebo z estetického hľadiska. A naopak vertikálny bajonetový systém Vám príde zbytočný, prípadne drahší.
Po demontáži ťažnej gule (háku) Vám pod nárazníkom zostane viditeľný korpus, ktorý Vám môže znížiť svetlú výšku podvozku (záleží podľa nárazníka vozidla).